產品介紹
防爆不銹鋼環鏈電動葫蘆以國標304不銹鋼作為毛坯,外殼采用304厚鋼材料,其轉動齒輪經過高溫熱處理從而達到齒輪據有很高的耐磨性。在作業中產品相互摩擦撞擊不會產生機械火花,在易燃易爆場所不引爆氣體,有效防止火災事故。
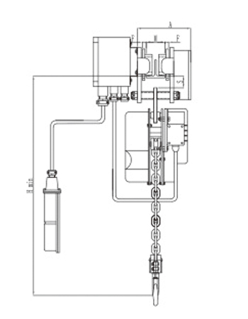
防爆不銹鋼環鏈電動工作原理:
采用星行減速、盤式電機,運行平穩,剎車精準安全,適用于各種潔凈、易燃易爆作業空間。
防爆不銹鋼環鏈電動葫蘆是一-種使用簡易、攜帶方便的電動起重機械,自重較輕,便于攜帶、外形美觀,尺寸較小、經久耐用。
防爆不銹鋼電動葫蘆可與電動單軌小車配套組成電動起重運輸小車,防爆不銹鋼環鏈電動葫蘆可廣泛應用于石油、石化、油站、油庫、采氣、化工、軍工、電力、礦山、電子、鐵路、等潛在火患和爆炸的危險環境中,在作業中產品相互摩擦撞擊壞會產生機械火花,有效防止火災事故,確保國家財產和人身安全。也是機械制造和機械維修必不可少的專用工具。




|
額定起重量 (kg) |
起升速度 (m/min) |
起重高度 (m) |
電機型號 |
電機功率 (w) |
電機轉速 (r/min) |
電源電壓 (v) |
尺寸 (mm) |
整機重量 (kg) |
||||
| A | B | Hmin | C | D | 3m | |||||||
| 1000 | 2.25 | 3-9 | YHPE500-4 | 500 | 1380 | 380 | 280 | 275 | 520 | 580 | 43 | 40 |
| 2000 | 1.85 | 3-9 | YHPE500-4 | 500 | 1380 | 380 | 280 | 275 | 600 | 630 | 50 | 43 |
| 3000 | 1.1 | 3-6 | YHPE750-4 | 750 | 1380 | 380 | 280 | 275 | 680 | 780 | 63 | 50 |
| 5000 | 0.9 | 3-6 | YHPE750-4 | 750 | 1380 | 380 | 280 | 275 | 710 | 820 | 65 | 70 |
| 7500 | 0.6 | 6-9 | YHPE750-4 | 750 | 1380 | 380 | 280 | 340 | 850 | 970 | 72 | 72 |
| 10000 | 0.45 | 6-9 | YHPE750-4 | 750 | 1380 | 380 | 280 | 358 | 900 | 1050 | 77 | 107 |